欢迎进入山东岱圣建设有限公司官方网站!
二维码

VIP邮箱

山东岱圣建设有限公司 

地址:泰安市岱岳经济开发区 

电话:0538-8365877 

传真0538-8365877 

邮箱:daishengren@vip.163.com

  您的当前位置:首 页>> 行业资讯

4张图吃透TT系统、TN系统、IT系统!

发布时间:[2025-3-1 11:44:34]    浏览量:527次


TT TN IT 系统的特性

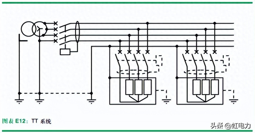
TT 系统(见图表 E12

注:如果诸外露可导电部分是在若干点进行接地,那么每一组回路必须装用一个RCD


主要特性
 设计和安装最为简单。适用于由公用低压电网直接供电的电气装置。
 在运行时不需装设持续监测绝缘状态的电器(周期性地检验 RCD 仍是需要的)。
 采用剩余电流保护电器(RCD)这样特殊电器来确保保护,如将它动作电流设定为 ≤ 300 mA,它还可防止电气火灾危险。
 每一次绝缘故障都将导致供电的中断,但由于 RCD 的串联(采用选择性 RCD)或并联(利用回路间的选择性)安装,供电的中断仅限于故障回路。
 有些负载或电气装置的某些部分在正常工作时能产生大泄漏电流,为此需采取特殊措施来防止 RCD 的误动,例如装用隔离变压器来给这类负载供电或采用特殊的RCD(见第 F 章第 5.1 节 )。


TN 系统(见图表 E13 和图表 E14

主要特性


 一般而言, TN 系统:
o 要求在全电气装置内有规则地设置接地极;o 要求在设计阶段进行计算,以初步校验在发生第一次绝缘故障时过电流动作电器能否有效跳闸,在其后的交接验收中强制性地要求进行测定,以确认其脱扣动作;o 要求在电气装置改建或扩建时由合格的电气人员进行设计或施工;o 在发生绝缘故障时可能导致旋转电机的绕组严重损坏;o 由于其大幅值故障电流,在有火灾危险的房屋内可能具有更大的火灾危险性。



 TN-C 系统的其他特性:
o 表面看它比较节省费用(省去电器的一个极和一根导体);o 要求采用固定安装的硬质导体;o 在某些情况下禁止采用:火灾危险的房屋内;计算机设备(中性线内有谐波电流)。



 TN-S 系统的其他特性:
o 在软导体和小导管条件下也可用此系统;o 由于中性线和保护线是分开的,其 PE 线是洁净的(适用于计算机系统和火灾危险房屋)。


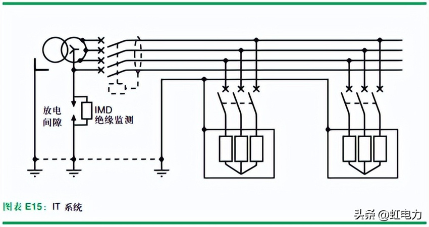
IT 系统(见图表 E15

主要特性


 运用中能提供最好的供电连续性。
 能在第一次绝缘故障时报警,以便进行必要的故障定位和排除故障,从而有效地防止供电中断。
 通常用于由业主的中压 / 低压或低压 / 低压变压器供电的电气装置中。
 需有对绝缘进行监测和运行的维护人员。
 要求配电网络的高绝缘水平(换言之,如果网络非常大则需将网络分割小,并采用回路--分隔变压器给大泄漏电流的负载供电)。
 在设计阶段必须进行计算以校验在同时发生两个故障时开关电器跳闸的有效性,其后在交接验收时还须强制性地测定外露可导电部分之间连接线的阻抗。


x